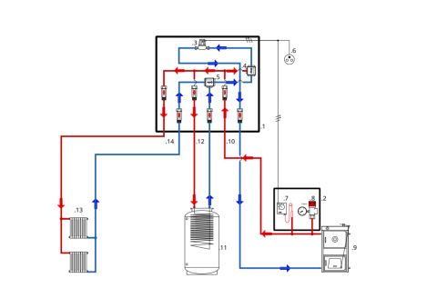
Coffret Wood Switch
Présentation du coffret Wood Switch, un tout-en-un innovant pour vous simplifier la vie !


Les atouts
-
Inclus tous les équipements de
fonctionnement et sécurité indispensables
Thermovar, vannes, pompe circulateur, groupe de
sécurité, sondes, régulation, disconnecteur... -
Prêt à raccorder !
Fixer et raccorder tous les périphériques (non fournis) :
bouilleur, échangeur, radiateurs, ballon sanitaire... -
Coffret Wood Switch livré avec son vase d’expansion de 5L, sa notice de montage et 1h d'assistante téléphonique
-
Pour toute puissance entre 2 et 12 kW

Habitat léger ?
Le mini poele à bois bouilleur est fait pour vous !
C'est l'équipement indispensable pour les petits formats et volumes (tiny house, yourtes et habitats réversibles en tout genre). Ce poêle à bois bouilleur passe partout, et il existe en version cuisinière !
Le bouilleur se décline en poêle, cuisinière ou insert. Il alimente radiateurs, eau chaude et tarte dans le four pour sa version cuisinière.






Le confort à l'état pur !
De quoi avez vous besoin, réellement ? d'un système fiable parce que simple, facile à monter et à intégrer. Qui dit mieux ?
-
Simple & Rapide
-
Fiable & Pérenne
-
Economique & Ecologique
